Kan skickas
Bildgalleri
(1/8)
Sorel Smart styrning för solvärme med Tadastro solfångare
Säljes3 100 kr
Beskrivning
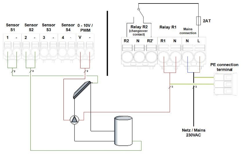
Nyutvecklad Solar Controller från Tyska SOREL, liknande STDC och MTDC som funnits i många år men modern elektronik och APP styrd via mobilen.
Smart reglercentral som finns i Basic och Compact variant och snart kommer en värsting för större anläggningar.
Funktionaliteten är baserad och i stort sett likadan som tidigare, beprövade lösningar med färdigvalda hydraulvarianter för den enklaste med solfångare och en ack tank till pool lösningar och flera solfångare i olika vädersträck.
Kolla på Youtube länken och se hur enkelt man installerar både elektriskt och mjukvarumässigt. Ansluts till huset trådlåsa nätverk och kopplas till Sorel Connects server för att komma åt data överallt per telefon.
Sitt i köket och ställ in solstyrningen och kolla om det är något fel på pumpar och annat.
Från 3100 inkl moms för enklaste varianten för solfångare med ack tank.
Obs: Knappen för att visa hela beskrivningen har bara en visuell effekt.
Plats
| Annons-ID | 21006493 |
|---|---|
| Senast ändrad | 21.2.2026 kl. 14:45 |